martes, 16 de junio de 2009
jueves, 4 de junio de 2009
CAMBIO DE GIRO MOTOR MONOFASICO
Para hacer el cambio del Sentido de Giro o Inversíon de Giro en un Motor Monofásico:Normalmente un motor Monofásico consta de 4 Cables: 2 de ARRANQUE y 2 de TRABAJO:Bajo normas el color del cable de arranque es rojo, y el de trabajo negrEl Bobinado de Arranque esta conectadro en serie a un Condensador o Capacitor y a una plaqueta, o simplemente a un condensador.Los 4 cables que forman las lineas de de conexión de las bobinas estando unidas asi, como se indica abajo.El número indicado corresponde al terminal o punta de cada bobinado.En el caso del bobinado de arranque el terminal 2 es el terminal después del condensador, que esta en serie.La conexión inicial seria:- Bobina de Arranque(1) con Bobina de Trabajo(1) van a la Linea (1)- Bobina de Arranque(2) con Bobina de Trabajo(2) van a la Linea (2)Ahora bien para invertir el giro debes, intercambiar las conexiones de los bobinados de Arranque y de Trabajo, es decir asi:- Bobina de Arranque(2) con Bobina de Trabajo(1) van a la Linea (1)- Bobina de Arranque(1) con Bobina de Trabajo(2) van a la Linea (2)
MOTORES TRIFASICOS
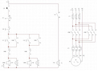
Cambio de giro en motores trifásicos 2.
Con este circuito conseguimos hacer un cambio de sentido de giro automático.El circuito en cuestión esta formado por fusibles en cada fase, dos contactores que efectúan el cambio de giro, y un relé. Es aconsejable usar relés diferenciales.Si observamos el circuito con detenimiento, nos daremos cuenta que, las fases que se están intercambiando son las L1 y L3. Podemos intercambiar cualquier par de fases.
Con este circuito conseguimos hacer un cambio de sentido de giro automático.El circuito en cuestión esta formado por fusibles en cada fase, dos contactores que efectúan el cambio de giro, y un relé. Es aconsejable usar relés diferenciales.Si observamos el circuito con detenimiento, nos daremos cuenta que, las fases que se están intercambiando son las L1 y L3. Podemos intercambiar cualquier par de fases.
Suscribirse a:
Comentarios (Atom)